产品系列 GY-CC35
GY-CC35

产品特点

GY-CC35点型可燃气体探测器

- 高精度进口催化燃烧传感器 - 多种信号输出、带HART通讯接口、多种线制连接
- 插拔式智能化传感器模块、更换方便 - 红外遥控或磁棒调节标定,操作方便
- 自动调零、自动识别故障及自动提示错误 - 爆炸性气体环境和可燃性粉尘环境防爆双认证

技术参数

检测原理催化燃烧
检测方式扩散式
检测范围

0~100%LEL

响应时间

T90<15S

环境温度-40℃~+70℃
相对湿度0~99%RH/无凝结
传感器寿命≥5年
防爆标志Ex d ⅡC T6 Gb  /  Ex tD A21 IP66 T80℃ 
防护等级IP66
外形尺寸140*196.2*108(WxHxD)
重 量2200克(铝合金壳体)
显示方式

LCD显示,LED指示

报警方式LED光报警,(可选配爆声光报警器)
调节方式红外遥控器、磁棒
电源24VDC(15~30VDC)
功耗≤3W(带防爆声光报警器≤5W)
输出信号


4-20mA(三线制)


4-20mA+HART(选购)


继电器开关量输出(2A 30VDC)


24VDC继电器输出(驱动声光报警器)



传输电缆≤1000m,3(4)×1.5mm²、≤1500m,3(4)×2.5mm²
电气接口两接口,NPT3/4″(F)  (可按要求配置不同规格尺寸)
壳体材质铝合金/S316不锈钢

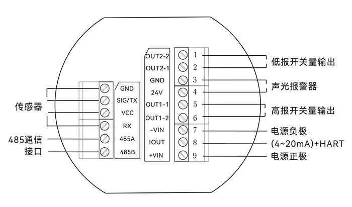
产品结构及施工图

返回顶部